Anlaufdrehmoment von 104,0Nm bis 27,5Nm
Die Getriebemotoren GMR77-43-Z1a-H werden in Linearantrieben, in Garagentorantrieben und in verschiedenen Antrieben verwendet.


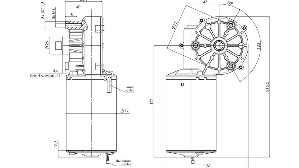
Die Getriebemotoren GMR77x40-43-Z1a-H haben Getriebeübersetzung i= 47:1 und Achsenabstand 43mm
Nach Wahl ist es möglichen den Gleichstromgetriebemotor mit EMV Filter ausrüsten.
In dem technischen Datenblatt ist es möglich verschiedenen Optionen wählen: Abtriebswelle, EMV Filter, Encoder mit einem oder zwei Hallsensoren, Kennlinie.
In der Abschnitt zu dem Encoder gewidmet, ist es möglich die Nummer der Hallsensoren Wählen (ein oder zwei) die Versorgungsspannung, den Ringmagnetpolenzahl. Für bessere Verständnis ist dann den Ringmagnet, den Hallsensorstromkreis und den Ausgangsignal.
Für die am häufigsten verwendeten Spannungsversorgungen, 12V und 24V sind in der Tabelle "Elektrische Daten" die Leistungen mit Nennwerten aufgelistet.
Insbesondere erlaubt die interaktive Kennlinie den Wahl und die Analyse der erforderlichen Leistungen durch Auswahl der Versorgungsspannung und der Leerlaufdrehzahl.
95
÷30
95
÷30
1.85
÷1.15
0.95
÷0.55
92.5
÷27.6
92
÷26.8
2.7
÷2.7
3.6
÷3.6
6.9
÷2.2
4
÷1.35
26.1
÷7.8
34.5
÷11
104
÷27.5
104
÷27.5
128
÷11.6
64
÷5.8
260
÷26
260
÷26
49
÷37.7
49
÷37.7
Kunststoff
47
÷1
S1
2.28
